公司简介
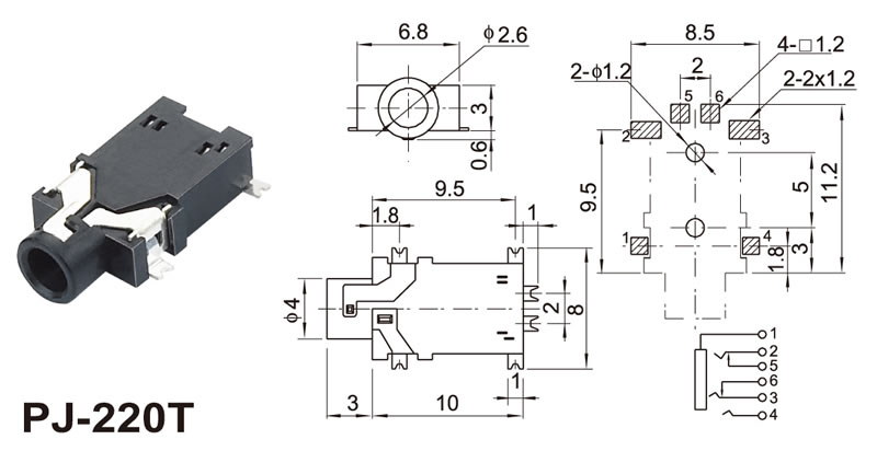
 2.5/3.24(SMT)插口系列 >> PJ-220T

  点击次数:451  发布时间:2010-06-12 【打印】 【返回