公司简介
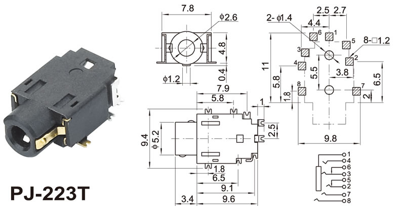
 2.5/3.27(SMT)插口系列 >> PJ-223T

  点击次数:447  发布时间:2010-06-12 【打印】 【返回